上海墨鉅特殊鋼有限公司
咨詢熱線:021-67898711 13472787990
公司傳真:021-67899883
郵箱:13472787990@163.com
hastelloy C4哈氏合金焊接工藝
1、化學成分及力學性能
hastelloy C4對應ASME中UNS編號為N06455,其化學成分及力學性能見表1,2[1]。hastelloy C4屬于Ni-Cr-Mo類型鎳基耐蝕合金,單相奧氏體組織,由于含有較高Cr和Mo,所以既耐還原性介質腐蝕又耐氧化性介質腐蝕,同時在氧化-還原復合介質中也耐蝕。通過降低C,Si,Fe的含量,加入穩定化元素Ti,增加了抗晶間腐蝕能力。其抗點蝕、縫隙腐蝕和應力腐蝕能力也較好[2-3]。
表1、C4材料化學成分%
化學成分 | C | Mn | Fe | P | S | Si | Ni | Co | Ti | Cr | Mo |
標準值 | ≤0.015 | ≤0.08 | ≤3.0 | ≤0.04 | ≤0.03 | ≤1.0 | 剩余 | ≤2.0 | ≤0.7 | 14.0~18.0 | 14.0~17.0 |
復驗值 | 0.003 | <0.01 | 1.0 | <0.002 | 0.002 | <0.01 | 67.28 | 0.03 | <0.01 | 15.7 | 15.58 |
表2、C4材料力學性能
項目 | R/N·mm-2m | R/N·mm-2eL | A/% |
標準值 | ≥690 | ≥276 | ≥40 |
復驗值 | 744 | 319 | 72 |
2、hastelloy C4哈氏合金焊接性分析
(1)鎳基耐蝕合金具有較高的熱裂紋敏感性,焊接過程中容易產生結晶裂紋和液化裂紋。裂紋產生的原因[2]:在高溫下鎳與硫、磷極易形成低熔點共晶體;當焊接熱輸入較大時,會導致焊接接頭晶粒粗大,晶粒間會存在較多的碳化物和促進液化裂紋的金屬間化合物,增大熱裂紋傾向。因此焊接時應采取控制焊接熱輸入,限制焊縫中的S,P,Si含量等措施。(墨?鉅)
(2)鎳基焊縫金屬對氣孔比較敏感。
氣孔產生的原因:鎳基合金液態金屬的流動
性比較差,在焊態下氣體來不及逸出;鎳基合金固液相的溫度間距小,氧氣、二氧化碳和氫氣等氣體在液態鎳中的溶解度比較大,但當焊縫冷卻時,溶解度明顯減小,熔池中的氣體來不及逸出形成氣孔。因此焊接前應將施焊區域的油、水等會引起氣孔的雜質去除干凈,焊接材料可以加入錳、鈦和鈮等脫氧元素,焊接過程中應加強焊接熔池的氣體保護。
焊接工藝制定
2.1、焊接方法及焊接材料
根據產品結構特點,采用氬弧焊焊接的方法[4-5],焊接材料選用ERNiCrMo-7焊絲,直徑2.4mm,化學成分見表3[6]。焊接時背面采用氬氣保護,Ar純度為99.99%,流量為8~10L/min。
表3、ERNiCrMo-7材料化學成分%
化學成分 | C | Mn | Fe | P | S | Si | Cu | Ni | Co | Ti | Cr | Mo | W |
標準值
| ≤0.015
| ≤1.0
| ≤3.0
| ≤0.04
| ≤0.03
| ≤0.08
| ≤0.50
| 剩余
| ≤2.0
| ≤0.7
| 14.0~18.0
| 14.0~18.0
| ≤0.50
|
復驗值 | 0.001 | 0.14 | 0.46 | 0.006 | 0.002 | 0.02 | 0.02 | 剩余 | <0.11 | 0.19 | 15.8 | 15.73 | 0.10 |
2.2、坡口設計
由于鎳基合金液態焊縫金屬具有流動性較差和熔深較淺的工藝特性,不容易潤濕展開,接頭需提供足夠的空間便于金屬填充,坡口應采用較大的根部間隙和坡口角度,較小的鈍邊高度,以防止焊接時出現未熔合和未焊透缺陷,保證液態焊縫金屬布滿坡口。(墨?鉅)工藝評定試驗采用對接接頭的坡口形式,如圖2所示。

圖2坡口形式
2.3、焊前清理
焊前清理工作對焊接鎳基耐蝕合金非常重要,在焊接前,焊絲及hastelloy C4和不銹鋼S31603的施焊區域必須使用丙酮或無水乙醇等溶劑清洗去除油、水分及其他污物,以避免氣孔和裂紋的產生。
2.4、預熱及道間溫度控制
鎳基耐蝕合金焊前一般不需進行預熱,室溫環境下即可焊接。當焊件溫度低于2℃或更低時,焊接坡口及兩側大于300mm的(墨?鉅)范圍內應加熱到15~20℃,以防止濕氣冷凝導致氣孔的產生。焊接時過大的焊接熱輸入和道間溫度會導致晶粒過大,增大熱裂紋傾向和降低耐腐蝕性能,應控制道間溫度在100℃以下。
2.5、焊接工藝參數
根據鎳基合金焊接特性,為防止其產生熱裂紋,應采用較小的焊接熱輸入,多層多道焊,焊接時不宜橫向擺動,盡量直線運動,制定的焊接工藝參數見表4。
表4、焊接工藝參數、
焊接方法 |
層數 |
焊接材料 | 規格/mm |
極性 | 焊接電流/A | 電弧電壓/V | 焊接速度/cm·min-1 | 線能量/kJ·cm-1 |
GTAW
| 1
| ERNiCrMo-7
| 2.4
| DCEN
| 90~110
| 11~13
| 10~15
| ≤8.58
|
GTAW | 2~5 | ERNiCrMo-7 | 2.4 | DCEN | 110~140 | 11~13 | 10~15 | ≤10.92 |
3、hastelloy C4哈氏合金焊接工藝評定試驗
按照NB/T47014—2011[7]和技術要求,根據以上擬定的焊接工藝,選用厚度為8mm的S31603和C4(N06455)板材分別進行了兩組焊接工藝評定試驗。一組為S31603與C4之間焊接,試樣編號為863#;一組為C4與C4之間相焊,試樣編號為864#。
試件焊后經100%RT和100%PT檢測無缺陷后進行拉伸、彎曲、晶間腐蝕、焊縫部位化學成分分析等試驗項目。其中,晶間腐蝕試驗結果為:863#:晶間腐蝕試驗(2件),按GB/T15260—1994[7]標準B法驗收合格;864#:晶間腐蝕試驗(2件),按GB/T15260—1994[7]標準B法驗收合格。其他項目試驗結果見表5~7。
表5拉伸試驗結果
試樣編號 | 抗拉強度 | 斷裂部位和特性 |
863#-1 | 620 | 塑斷于熱影響區 |
863#-2 | 620 | 塑斷于熱影響區 |
864#-1 | 735 | 塑斷于熱影響區 |
864#-2 | 735 | 塑斷于熱影響區 |
表6彎曲試驗結果
試樣編號 | 試樣類型 | 彎曲角度 | 試驗結果 |
863# | 面彎 | 180 | 合格(2件) |
863# | 背彎 | 180 | 合格(2件) |
864# | 面彎 | 180 | 合格(2件) |
864# | 背彎 | 180 | 合格(2件) |
表7焊縫化學成分%
化學元素 |
C |
Si |
Mn |
S |
P |
Ni |
Cr |
Mo |
Fe |
Co |
Ti |
863#試樣(焊縫中心線處外表面)墨?鉅 |
0.003 |
0.02 |
0.16 |
0.005 |
0.023 |
67.28 |
15.69 |
14.95 |
1.28 |
0.05 |
0.07 |
864#試樣 | 0.002 | 0.03 | 0.06 | 0.007 | 0.025 | 67.68 | 16.00 | 14.63 | 1.17 | 0.07 | 0.04 |
通過試驗結果可以看出,試樣編號為863#的抗拉強度值均大于不銹鋼S31603標準規定的抗拉強度最低值490N/mm2;試樣編號為864#的抗拉強度值均大于固熔狀態hastelloy C4標準規定的抗拉強度最低690N/mm2,且均為塑性斷裂于焊接接頭熱影響區。兩組評定面彎、背彎試樣彎曲到180°后,拉伸面上的焊縫及熱影響區內沒有開口缺陷,符合NB/T47014標準要求[7]。
晶間腐蝕試驗試樣在銅-硫酸銅-16%硫酸溶液中連續加熱24h后進行彎曲試驗,拉伸面無裂紋等缺陷,滿足標準[8-9]要求,說明焊接接頭耐腐蝕性能良好[10]。
由此可見,試件經無損檢測合格后取樣進行力學性能檢測,焊接接頭的抗拉強度、彎曲性能結果均滿足NB/T47014—2011要求,焊縫化學成分和晶間腐蝕試驗合格,證明制定的焊接工藝良好,可以保證焊接接頭的力學性能和耐晶間腐蝕性能。
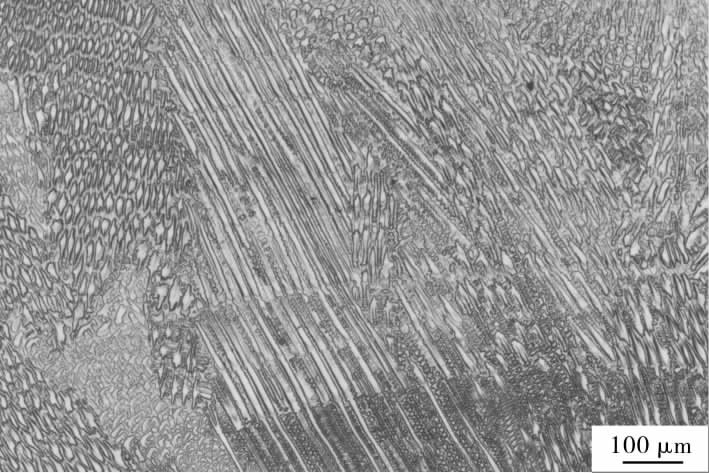
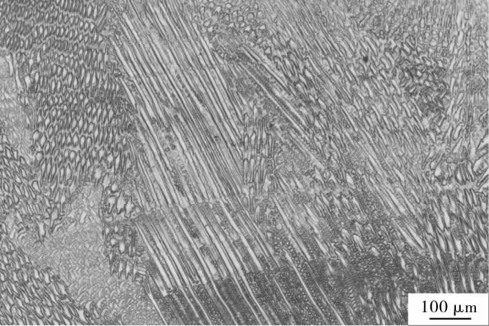
4、hastelloy C4哈氏合金焊接接頭金相檢測
為進一步了解所制定焊接工藝對焊接接頭的影響,取樣進行了宏觀金相檢測和微觀金相檢測[11]。兩組評定各取一件試樣,試樣編號分別為863#,864#。
用10倍放大鏡進行宏觀金相檢測,兩件試樣焊接接頭截面均無氣孔、夾渣、裂紋、未熔合、未焊透等缺陷。
微觀金相檢測如圖3,4所示。863#試樣檢測結果為:S31603母材和熱影響區為奧氏體加少量δ鐵素體組織,焊縫為奧氏體加微量δ鐵素體組織,C4側熱影響區和母材為奧氏體組織。864#試樣檢測結果為:C4側母材及熱影響區為奧氏體組織,焊縫為奧氏體加微量δ鐵素體組織[12-13]。通過微觀組織圖可以看出,兩件試樣焊接接頭組織細密,沒有出現晶粒組大,無有害相的析出,表明焊接工藝性能良好。

(a)S31603母材500×

(b)S31603側熱影響區500×

(c)焊縫100×

(d)C4側熱影響區100×

(e)C4母材100×

圖3863#試樣微觀組織

(a)C4母材100×

(b)C4側熱影響區100×

(c)焊縫100×
圖4864#試樣微觀組織
5、hastelloy C4哈氏合金焊接結論
(1)hastelloy C4屬于Ni-Cr-Mo類型鎳基耐蝕合金,單相奧氏體組織,焊接時具有熱裂紋和氣孔敏感性,采用本焊接工藝進行施焊,可以獲得合格的焊接接頭。
(2)采用氬弧焊方法,使用ERNiCrMo-7焊絲,背面采用純氬氣保護,焊前嚴格清理焊絲及坡口表面,坡口角度適當加大,采用較小熱輸入,道間溫度控制在100℃以下,多層多道焊。經工藝評定試驗,C4與C4焊接接頭抗拉強度為735N/mm2,C4與S31603焊接接頭抗拉強度為620N/mm2,面彎、背彎均合格;晶間腐蝕按GB/T15260—1994標準B法驗收合格,表明焊接接頭的力學性能和耐蝕性能滿足標準要求。
(3)焊接接頭中焊縫為奧氏體加微量δ鐵素體組織,C4側熱影響區及母材為奧氏體組織,S31603側熱影響區及母材為奧氏體加少量δ鐵素體組織,焊接接頭組織細密,無晶粒粗大現象,無有害相的析出,焊接工藝性能良好。
以上為上海墨鉅特別搜索整理的資料,如有錯誤請指教,數據僅為參考。
上一篇:2.4610
最新文章:
> 20MnCr5:汽車差速器齒輪的“滲碳耐磨+抗疲抗沖”核心鋼種2025-12-05
> 20MnB5:汽車高強度螺栓的“淬透強韌+易切高產”專用鋼2025-12-05
> 20Mn23AlV:無磁設備用鋼的“零磁強韌+耐磨抗腐”核心鋼種2025-12-05
> 1Ni3MnCuAl:低溫儲罐用鋼的“耐冷強韌+抗腐防滲”專用鋼2025-12-05
> 1CR11MOV:汽輪機高壓葉片的“高溫強韌+抗腐耐磨”核心鋼種2025-12-05
> 16NiCr4:風電齒輪箱行星輪的“強韌抗疲+焊接穩定”核心鋼種2025-12-04
相關文章:
> 高溫氟化氫環境優選材料:HASTELLOY C4抗晶間腐蝕性能與工程實踐2025-03-01
> Hastelloy C4哈氏合金產品介紹2024-11-26
> Hastelloy C4:卓越的鎳鉻鉬合金2024-10-16
> 關于Hastelloy C4合金的知識點2024-10-11
> Hastelloy C4哈氏合金廠家2024-08-06
> Hastelloy C4合金的熱穩定性及其在航空航天領域的應用潛力2024-04-30

