上海墨鉅特殊鋼有限公司
咨詢熱線:021-67898711 13472787990
公司傳真:021-67899883
郵箱:13472787990@163.com
GH4648是一種Ni-Cr基沉淀硬化型變形高溫合金,長期使用溫度需要小于900°C ,短時使用溫度可達1100°Co,合金的特點是加入約32%的S(Cr),使之具有優異的抗熱腐蝕性能。同時合金具有中等的強度和良好的抗疲勞和、抗蠕變性能,良好的冷加工性能和焊接性能。適于制作溫度在900°C?1100°C,要求優異的耐腐蝕性能的高溫結構件。供應的主要品種有板材、帶材、管材、棒材、鍛件和環形件等等。
今天墨鉅主要來說一下GH4648高溫合金組織結構在環境實驗下的表明,合金固溶狀態組織由Y基體、一次M23C6型碳化物和少量Ti(C、N)組成。經標準熱處理后在晶界析出M23C6,晶內析出Y相和a-Cr相。經800°Cx1000h長期時效后,合金的相組成沒有改變,aCr相、y' 相和晶界M23C6析出量增加,沒有有害相析出。
可以參考以下圖例,下圖為板材供應態的晶粒組織和一次碳化物分布,硫酸銅+15mL、鹽酸+50mL、乙醇過后的化學腐蝕情況。
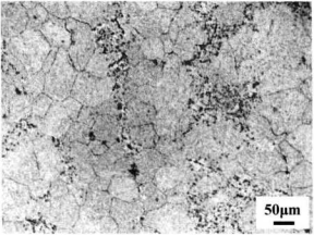
下圖棒材經標準熱處理后的晶粒組織和一次碳化物分布,硫酸銅+15mL、鹽酸+50mL乙醇過后的化學腐蝕情況。
此圖為棒材經800°C x1000h時效后的組織和析出相的形貌,晶界析出M23C6 ,晶內白色為a-Cr相;以及硫酸銅+15mL、鹽酸+50mL乙醇過后的化學腐蝕情況。
三種GH4648高溫合金的實踐圖例表明了該合金的穩定情況,且該合金已應用于制作先進航空發動機燃燒室部件及其他熱端部件,批產和使用情況良好。相近牌號在國外航空發動機中已獲得了廣泛的應用。GH4648合金的綜合性能優于國內GH3044和GH3128性能水平。由于GH4648具有較GH3044更小的比重,所以該合金具有更高的比強度。
希望墨鉅這篇實踐文章可以幫助到大家!
上一篇:1.4876高溫合金
下一篇:GH4738變形高溫合金的應用性能講解
最新文章:
> 1.1149:破解汽車傳動軸疲勞與變形難題的中碳高強度優特鋼2025-11-04
> 1.1148:破解礦山機械耐磨件磨損與沖擊斷裂難題的中碳錳優特鋼2025-11-04
> 1.1141:破解農機沖壓件開裂與鍛造精度難題的中碳優特鋼2025-11-04
> 1.1121:破解精密緊固件切削效率與強度失衡難題的低碳易切削優特鋼2025-11-04
> 1.0765:破解機械齒輪強度與韌性失衡難題的中碳錳優特鋼2025-11-04
> 1.0725:破解低壓化工儲罐腐蝕泄漏難題的低碳優特鋼2025-11-03
相關文章: